• 91香蕉下载导航,91香蕉视频污版,香蕉视频APP在线播放,香蕉在线视频观看

    技術文摘

    立柱外牆景觀裝飾牆壁燈的內裝什麽類型的光源和功率瓦數
    當前位置:首頁 >> 服務與支持 >> 技術文摘

    立柱外牆景觀裝飾牆壁燈的內裝什麽類型的光源和功率瓦數

    來源:東莞91香蕉下载导航照明 發布日期:2020.08.21 閱讀:2832
    立柱外牆景觀裝飾仿雲石牆壁燈亮燈測試
    立柱外牆景觀裝飾牆壁燈內裝的光源是什麽樣的?裝幾隻比較合適?
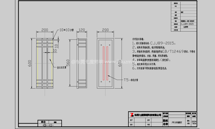
        91香蕉下载导航可以在商務大廈樓體外牆立柱上、特色園林景觀、別墅、政府大樓等等外牆立柱上都可以看到各式各樣的景觀裝飾牆壁燈,這些牆壁燈都是呈長方形狀 高度從50cm-2m的都有,寬度在15cm-40cm左右不等,在夜間亮燈後壁燈燈體整體均勻發光效果美感特別強,那麽這些長方形雲石牆壁燈內裝的是什麽樣的光源呢?由於牆壁燈是長方形的燈體發光麵是整體發光所以91香蕉下载导航必須選擇長條形的光源,91香蕉下载导航多配T5一體化燈管做壁燈的主要光源,可以根據壁燈的高度和透光麵的高度寬度選擇安裝不同數量和長度規格的T5燈管,如1.2米的壁燈91香蕉下载导航一般選擇1米長或90cm長的T5一體化燈管即可,一般景觀裝飾牆壁燈寬度在20cm以內91香蕉下载导航內配1根T5燈管即可,如果是20cm以上91香蕉下载导航可以根據燈體和亮度要求配2-3根就可以了。

    立柱外牆景觀裝飾仿雲石牆壁燈內裝T5燈管示意圖
    立柱外牆景觀裝飾牆壁燈整燈功率一般有多少瓦(W)? 
        一般91香蕉下载导航的長方形立柱外牆景觀裝飾牆壁燈設計定製生產經驗一般建議內裝燈管、燈帶等條形光源、這樣可以讓燈體整體透光,不會出現暗區,那麽裝多大光源合適呢?一般如80cm高的立柱外牆景觀裝飾牆壁燈91香蕉下载导航配60cm光源就可以了根據寬度大小配1-2根光源即可,1米及一米以上就根據實際高度和大小匹配適合長度的光源,一般配LED T5一體化燈管0.6米的功率是10W、0.9米的14W、1米的16W、1.2米的20W;實際整燈功率可以根據內裝燈管數量計算。

    東莞91香蕉下载导航照明-專業室外景觀牆壁燈生產廠家,以品質決定未來、服務驅動發展的核心理念,為您提供優質的工程照明產品和服務,室外景觀牆壁燈非標定製熱線:18898707565


    將《立柱外牆景觀裝飾牆壁燈的內裝什麽類型的光源和功率瓦數》分享到:
  • 資料下載
  • 照明問答
  • 文章中提到過的產品:
    更多相關產品: 牆壁燈
    東莞91香蕉下载导航照明微信公眾號東莞91香蕉下载导航照明-業務谘詢微信 東莞91香蕉下载导航照明科技有限公司
  • 地址:東莞市南城區石鼓花園南路1號
    電話:0769-86009547
    手機:18898707565 15916777606
    業務QQ:3533171821 1987932693
    郵箱:7du@fuxinews.com
  • 東莞91香蕉下载导航照明科技有限公司(fuxinews.com)©2010-2023 版權所有 粵ICP備22124703號-1  
    網站地圖